
Estudo de Curto-Circuito
Segurança elétrica e continuidade operacional com estudos precisos
A Base para a Segurança e Confiabilidade de Sistemas Elétricos


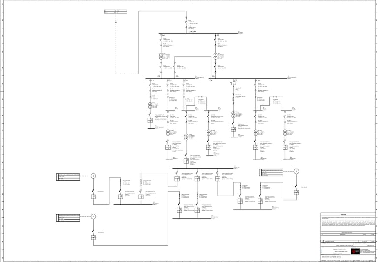
O Estudo de Curto-Circuito é um pilar fundamental para a segurança e a confiabilidade de qualquer sistema elétrico, seja ele industrial, comercial ou de infraestrutura.
Este estudo técnico visa determinar as correntes de falha, máximas, mínimas ou de acordo com as condições operacionais, que podem ocorrer em diferentes pontos da instalação, fornecendo dados cruciais para o dimensionamento adequado de equipamentos, dos ajustes de dispositivos de proteção e, consequentemente, a prevenção de danos catastróficos.
A SCJ Engenharia, com sua vasta experiência em engenharia elétrica, oferece estudos de curto-circuito precisos e abrangentes, essenciais para a conformidade com as normas e a longevidade dos seus ativos.
Por quê o Estudo de Curto-Circuito é Indispensável?
Falhas de curto-circuito podem gerar correntes elevadíssimas, capazes de causar explosões, incêndios e a destruição de equipamentos, além de representar um risco iminente à vida. A realização de um estudo de curto-circuito é indispensável para:
•Dimensionamento de Equipamentos: Assegurar que disjuntores, cabos, transformadores e outros equipamentos elétricos sejam capazes de suportar as correntes de falha sem sofrer danos.
•Coordenação e Seletividade da Proteção: Fornecer os dados necessários para o correto estudo e parametrização dos dispositivos de proteção (relés, disjuntores etc.), garantindo que apenas a seção defeituosa seja isolada, minimizando interrupções no fornecimento de energia.
•Segurança Operacional: Fornecer os níveis de curto-circuito necessários para os cálculos de arco elétrico, que é diretamente influenciado pela magnitude da corrente de curto-circuito.
•Conformidade Normativa: Atender aos requisitos de segurança elétrica estabelecidos por normas como a NR10 e padrões técnicos que exigem a análise de correntes de curto-circuito para o projeto e operação de instalações elétricas.
•Planejamento e Expansão: Avaliar o impacto de novas cargas motoras, fonte alimentadores e outras modificações no sistema elétrico, garantindo que a infraestrutura existente possa suportar as novas condições de operação e falha.
